繁體中文
首 页
公司简介
产品介绍
花纹花样
新闻动态
销售网络
在线订购
常见问题
联系方式
English
电脑绗缝机 HC3200型(最新专利)
最新高速电脑无梭多功能绗缝机(独立图案多花纹)
电脑绗缝机 HC-D3000型(最新专利)
最新全自动高速双头绗缝机(独立大图案)
电脑绗缝机 HC3500型
高速电脑无梭多功能绗缝机(独立图案多花纹)
电脑绗缝机 HC3000型
高速电脑无梭多功能绗缝机(独立图案多花纹)
电脑绗缝机 HC2500型
高速电脑无梭多针绗缝机(独立图案多花纹)
电脑裁剪机(输送带) HC-QG-C型
HC-S-3000型单针绗缝机
高速电脑单针绗缝机(独立大图案)
HC-S-2000型单针绗缝机
高速电脑单针绗缝机(独立大图案)
HC-64,74,94,128型电脑
有梭多针绗缝机,绗绣机
电脑裁剪机 HC-QG-E型
电脑自动裁剪机
HC-64-94型 高速电脑床垫机械
高速梭芯绕线机
HC-JB-1卷布机,防振器
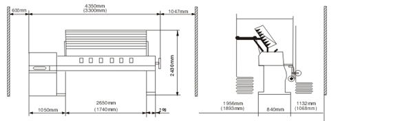
机械装配示意图
质量认证
绗缝花纹花样
HC3500型(最新专利产品)新型高速电脑无梭多功能绗缝机(独立图案多花纹)
HC2500型新型高速电脑无梭多针绗缝机(独立图案多花纹)
HC-94-3JE型新型高速电脑无梭多针绗缝机(独立图案多花纹)
HC-94-3JA型高速电脑无梭多针绗缝机(独立图案多花纹)
HC-QG-E型电脑自动裁剪机
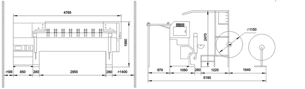
HC-64 "-94" 型绗缝机安装图